Würfelleuchten - Erkennungsweite 36-90m
Würfel-Kunststoffleuchten in 3 Größen mit Erkennungsweiten von 36, 46 oder 90m.
Beschreibung
Durch die Würfelform ist diese Kunststoffleuchte von vier Seiten gut erkennbar. So ist sie ideal für Anwendungen bei Wegkreuzungen, wie z.B. in Kaufhäusern mit Regalgängen.
Planungssicherheit wird durch logisch vorgegebene aufgedruckte Piktogramme geboten.
LED-Rettungszeichenleuchte nach DIN EN 60598-1, DIN EN 60598-2-22, DIN EN 7010 und DIN EN 1838.
| Technische Daten: | |
| Gehäusematerial: | Kunststoff / Zinkor |
| Standardfarbe: | weiß |
| Scheibe / Druck: | Folie, Siebdruck RAL 6032 |
| Leuchtmittel: | LED |
| Nennspannung: | 230V |
| Schutzart: | IP20 |
| Schutzklasse: | I |
| Montagearten: | Wand, Decke, Pendel |
Optionen:
- Überwachung für Zentralanlagen (ML)
- Überwachung für Einzelbatterieleuchten
- Selbstüberwachung für Einzelbatterieleuchten (SELF-CONTROL)
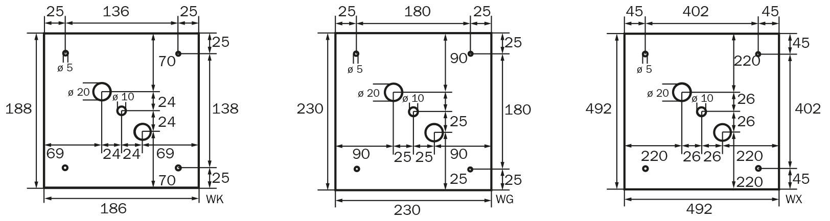
Abmessungen WK/WG/WX



